
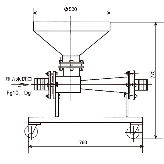
1.該設備由樹脂加料漏洞、樹脂噴射部分、小型移動車。全部零件采用1Cr18Ni9Ti 材料制造。
2.該設備每小時進料數由 16t-45t 等5個品種供選擇。
全國統一服務熱線:
揚州華創不銹鋼濾材有限公司
手機:13815826188 18901443555 聯系人:何經理
電話: 0514 -86501598 傳真:0514-86509598 QQ: 172120484
E-mail: jshuachuang@vip.163.com
地址: 江蘇省揚州市江都區丁伙鎮工業集中區
蘇公網安備 32108802010306號
